RDWEBB
Aircooled Vacuum Furnaces

RD-M

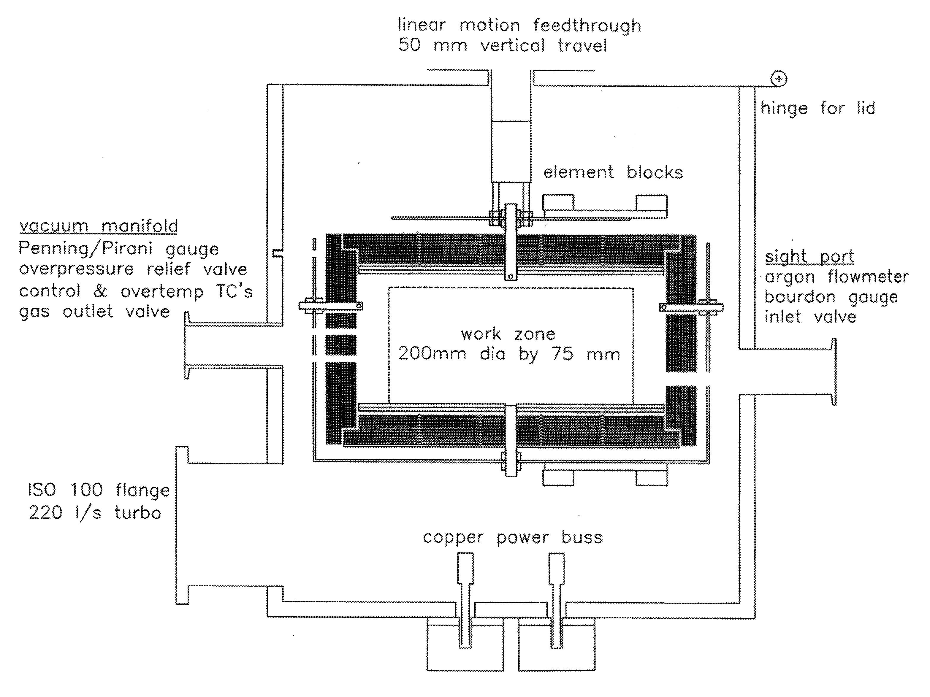
The RD-M is a molybdenum hot zone furnace designed for use up to 1200C in very high purity vacuum conditions.

THIS FURNACE IS IDEAL FOR BRAZING AND ANNEALING DIAMOND CUTTING TOOLS AND MEDICAL OR ELECTRONIC COMPONENTS

METALLIC HEATSHIELDS

Heatshields


CLEAN, LOW MASS SHIELDS

The thermal shield packs are fabricated from multiple layers of molybdenum and stainless steel to provide the cleanest possible operating environment.

In addition to minimizing particles and dust, these shield packs have less thermal mass as compared to fibrous insulation packs, providing for faster heating and cooling. A linear motion feedthrough is provided to lift the top shield pack during cooldown, allowing 2-3 hour cycle times.

DOWNLOAD PDF


RD_M brochure pdf





© RDWEBB.COM 2022